简体中文
|
English
简体中文
|
English
导航
Toggle navigation
首页
公司简介
激光事业部
单机产品
零部件
成套设备
交流讨论(论坛)
零部件
零部件
·码垛机底座
·传动类产品
找不到你想要的?搜索更多产品...
联系我们
广州启帆工业机器人有限公司
公司地址:广州市黄埔区科学城新瑞路2号
工厂生产地址:广州市黄埔区田园路97号
联系电话朱小明:18826871989
联系邮箱:zhuxiaoming126@163.com
零部件
点击下拉
传动类产品
码垛机底座
首页
>
零部件
> 传动类产品
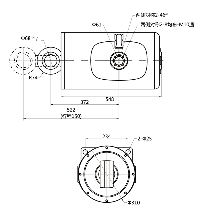
弹簧缸
详细描述
项目
名称:
弹簧缸
动作形态
轴向伸缩
弹簧形式
压缩弹簧
压缩
率
50%
最大弹力
约28KN
关于我们
公司简介
业务模式
企业文化
公司荣誉
发展历程
人才招聘
联系我们
产品介绍
单机产品
成套设备
二手及租赁
新闻资讯
公司新闻
行业新闻
市场活动
交流讨论
在线留言
查看回复
联系我们
公司地址:广州市黄埔区科学城新瑞路2号
工厂生产地址:广州市黄埔区田园路97号
联系电话朱小明:18826871989
联系邮箱:zhuxiaoming126@163.com
版权所有:广州启帆工业机器人有限公司 Copyright 2012 herun.All Rights Reserved
粤ICP备09115876号
网站建设:
合优网络